|
|
|
 | |
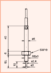
| T/P/N 441 Built-In Sensor with Fixed Cable Type. Operative Range: for surface measurements |
T/P/N 441 Built-In Sensor with Fixed Cable Type
 |
Operative Range: for surface measurements
Options: see above |
| Technical Data: |
| Accuracy: |
see above |
| Measuring tip: |
with silver rivet |
| Fitting length: |
20mm |
| Cable: |
1m Teflon, resistant up to max. 240¡ÆC |
| Types: |
|
| FT0441 |
NiCr-Ni (K), Tmax = 400¡ÆC, ¨ª 1.5mm |
| FP0441 |
Pt100, Tmax = 300¡ÆC, ¨ª 3mm |
| FN0441 |
Ntc, Tmax = 100¡ÆC, ¨ª 3mm | | | |
|
|
 | |
 |
| ¹øÈ£ |
Á¦¸ñ |
ÀÛ¼ºÀÚ |
ÀÛ¼ºÀÏ |
Æò°¡Á¡¼ö |
|
 |
|
ÀÌ »óǰ¿¡ ´ëÇÑ »ç¿ëÈıⰡ ¾ÆÁ÷ ¾ø½À´Ï´Ù.
»ç¿ëÈı⸦ ÀÛ¼ºÇØ ÁÖ½Ã¸é ´Ù¸¥ ºÐµé²² ¸¹Àº µµ¿òÀÌ µË´Ï´Ù. |
|
 |
|
 |
|
|
 | |
 |
| ¹øÈ£ |
Á¦¸ñ |
ÀÛ¼ºÀÚ |
ÀÛ¼ºÀÏ |
´äº¯ |
|
 |
|
ÀÌ »óǰ¿¡ ´ëÇÑ Áú¹®ÀÌ ¾ÆÁ÷ ¾ø½À´Ï´Ù.
±Ã±ÝÇϽŠ»çÇ×Àº À̰÷¿¡ Áú¹®ÇÏ¿© ÁֽʽÿÀ. |
|
 |
|
 |
|
|
 | |
|
ÀÌ »óǰ°ú °ü·ÃµÈ »óǰÀÌ ¾ø½À´Ï´Ù. | |
|
|
|
|